電動蝶閥

電動不銹鋼對夾蝶閥 D971X-16P
產品簡介
News Center
新聞中心性能特點:
1、設計新穎、合理、結構獨特,重量輕,啟閉迅速。
2、操力矩小,操作方便,省力靈巧。
3、可以任何位置安裝,維修方便。
4、密封件可以更換,密封性能可靠達到雙向密封零泄漏。
5、密封材料耐老化、耐腐蝕,使用壽命長等特點。
適用范圍:
電動對夾蝶閥廣泛應用于食品、環(huán)保、輕工、石油、化工、教學設備、造紙、電力等行業(yè)的工業(yè)過程自動控制系統(tǒng)中。
D971X-16P電動對夾蝶閥主要零件材料:

D971X-16P電動對夾蝶閥主要性能參數:

D971X-16P電動對夾蝶閥執(zhí)行標準:

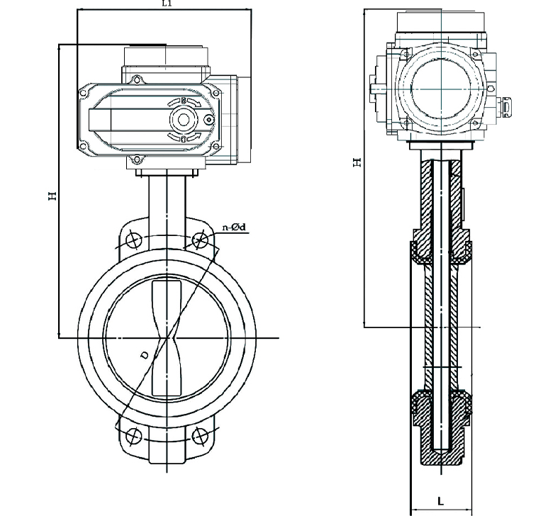
D971X-16P電動對夾蝶閥結構圖:

D971X-16P電動對夾蝶閥主要外形連接尺寸:

在線留言